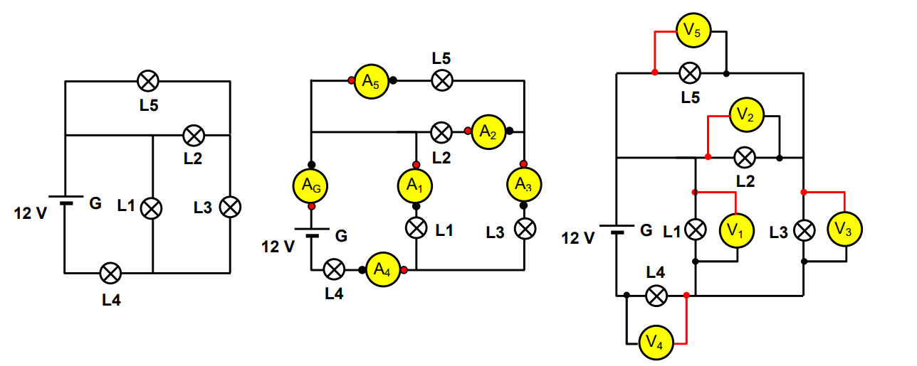
📒19. Resuelve en tu cuaderno
Observa atentamente el esquema del circuito que se te proporciona y completa la tabla aplicando la ley de Ohm.
| V1 = | V2 = 3,5 V | V3 = |
| I1 = 2,3 A | I2 = | I3 = |
| R1 = | R2 = | R3 = 5 Ω |
| Nota: Deberás indicar el resto de medidas o calcular el valor aplicando la ley de Ohm. | ||

| V1 = 5,5 V | V2 = 3,5 V | V3 = 3,5 V |
| I1 = 2,3 A | I2 = 1,6 A | I3 = 0,7 A |
| R1 = 2,4 Ω | R2 = 3,2 Ω | R3 = 5 Ω |


